LPKSF001-24V-2A-家電電源Demo部分測試報告
1、概述
本測試報告依照《家電 24V-2A 技術規格書》對電源的輸入特性、輸出特性、保護特性、EMC 特性、三溫電性能進行了測試和測量。可靠性測試另外付《可靠性試驗報告》,內容包括了環境適應性測試、MTBF 測試和硬件電應力可靠性測試。
2、基本參數
額定輸入電壓:□100-240Vac ?200-240Vac □110/220Vac 手動切換
輸入電壓范圍:□90-264Vac □176-264Vac □90-132Vac/200-240Vac
額定輸出電壓/電流和應用方式:應用方式/反激 負載/24V.2A
客戶注重效率、EMI、噪音
3、參考文件
《家電 24V/2A 技術規格書》
4、Demo 資料:實物圖

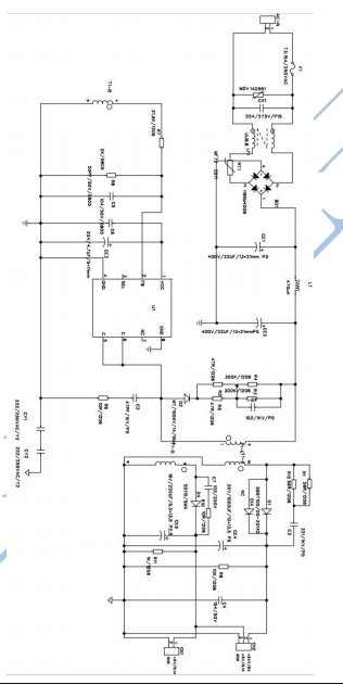
5、原理圖

6、PCB圖

7、BOM清單

以上是家電電源LPKSF001家電電源Demo部分測試報告,如果需要完整的測試報告可咨詢在線客服獲取。