無論是智能手機、平板電腦還是其他便攜式設備,高效的充電解決方案不僅能提升用戶體驗,還能顯著縮短設備的等待時間。LP8718B 作為一款集成了高壓 MOSFET 的恒壓恒流 20W 快充芯片,憑借其卓越的性能和豐富的功能,為快充領域提供了一種極具競爭力的解決方案。
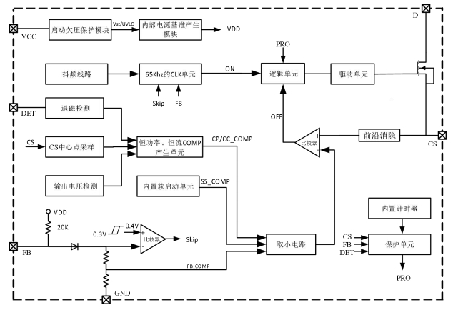
LP8718B 是一款專為副邊控制反激應用設計的隔離型恒壓恒功率恒流驅動芯片。它集成了 650V 高壓功率管,采用峰值電流模式控制,能夠實現高精度的恒壓、恒功率和恒流輸出。該芯片特別適用于多輸出電壓的快充應用,如手機快充和 PD(Power Delivery)適配器。LP8718B內部框架圖如下所示~

LP8718B 內置 650V 高壓功率管,導通阻抗低至 2.0Ω,能夠有效降低功耗并提高效率。這一特性使其在高壓輸入條件下依然能夠保持高效的能量轉換。
恒壓控制:通過光耦反饋,芯片能夠精確控制輸出電壓,恒壓精度高達 ±3%。在不同負載條件下,輸出電壓始終保持穩定。
恒流控制:通過 DET 腳檢測輸出電壓,芯片能夠動態調整輸出電流,實現高輸出電壓下的恒功率和低輸出電壓下的恒流特性。這一特性特別適用于多輸出電壓的快充場景。
頻率折返:在中載以下,芯片開始降低開關頻率以提升平均效率。在輕載或空載時,系統進入打嗝模式,進一步降低功耗。
軟啟動:內置 9ms 的軟啟動功能,逐周期增加 VCS 保護閾值,避免變壓器飽和和副邊二極管應力過大。
LP8718B 提供了全面的保護功能,確保系統在各種異常情況下都能安全運行:
VCC 欠壓保護(UVLO):當 VCC 電壓低于設定閾值時,芯片停止工作,防止因低電壓導致的不穩定運行。
VCC 過壓保護(OVP):當 VCC 電壓超過設定閾值時,芯片立即停止工作,保護芯片免受高電壓損壞。
輸出短路保護(SCP):當輸出短路時,芯片能夠快速檢測并進入保護狀態,防止過流損壞。
過溫保護(OTP):當芯片溫度超過設定閾值時,自動進入保護狀態,防止因高溫導致的損壞。
光耦輸入端短路保護:當光耦輸入端短路時,芯片能夠檢測并進入保護狀態,防止因短路導致的誤操作。
LP8718B 采用 ASOP6 封裝,尺寸緊湊,適合高密度設計,能夠有效節省 PCB 空間。

LP8718B 的典型應用電路如下圖所示:
輸入端(Vin):通過整流橋將交流輸入轉換為直流輸入,連接到變壓器的原邊。
輸出端(Vout):通過變壓器的副邊繞組、整流二極管和濾波電容,提供穩定的 5V 輸出。
反饋電路:通過光耦將副邊的反饋信號傳輸到芯片的 FB 腳,實現精確的恒壓控制。
DET 腳:用于檢測輸出電壓和退磁點,實現恒功率和恒流控制。
CS 腳:用于檢測峰值電流,實現過流保護。

恒壓模式:在輸出電壓穩定時,FB 腳的電壓控制 VCS 和開關頻率 FSW,維持輸出電壓的穩定。
恒功率模式:當輸出電壓降低時,DET 腳檢測到的電壓變化會調整輸出電流,維持恒功率輸出。
恒流模式:當輸出電壓進一步降低時,芯片進入恒流模式,輸出電流保持不變。
打嗝模式:在輕載或空載時,系統進入打嗝模式,降低開關頻率,減少功耗。
頻率抖頻:通過頻率抖頻技術,有效改善 EMI 性能,減少電磁干擾。
多種保護功能:包括 VCC 欠壓保護、VCC 過壓保護、輸出短路保護、過溫保護等,確保系統安全運行。
LP8718B 特別適用于以下場景:
手機快充:支持多輸出電壓,能夠滿足不同設備的快充需求。
PD 適配器:適用于 USB Power Delivery 適配器,提供高效、穩定的電源輸出。
智能家居設備:為智能插座、智能門鎖等設備提供穩定的電源支持。
LP8718B 作為一款集成了高壓 MOSFET 的恒壓恒流 20W 快充芯片,憑借其高效的能量轉換、精確的輸出控制和全面的保護功能,為快充領域提供了一種理想的解決方案。它不僅能夠滿足現代電子設備對快速充電的需求,還能確保系統在各種工作條件下的安全性和穩定性。無論是手機快充、PD 適配器還是智能家居設備,LP8718B 都能提供卓越的性能表現,是快充設計的不二之選。