在現代廚房電器中,電磁爐和電飯煲因其便捷性和高效性而廣受歡迎。然而,這些設備的穩定運行離不開可靠的電源支持。SM6035系列芯片作為一種高精度、非隔離、高集成度的降壓恒壓控制芯片,為電磁爐和電飯煲提供了理想的3.3V/5V、300mA電源解決方案。本文將詳細介紹SM6035芯片的特點、技術規格以及在電磁爐和電飯煲中的應用。
SM6035是一款專為全電壓范圍(85Vac~265Vac)設計的降壓恒壓控制芯片,適用于多種AC/DC輔助供電電源場景。該芯片采用500V單芯片集成工藝,內部集成高壓功率管和CS電阻,無需外部補償元件,即可實現優異的線性調整率和負載調整率。其設計目標是通過高集成度和高精度控制,降低系統成本并節約PCB尺寸,同時提供可靠的電源解決方案。

SM6035支持85Vac~265Vac的寬輸入電壓范圍,能夠適應全球不同地區的電網電壓,確保設備在不同電源條件下的穩定運行。
SM6035采用500V單芯片集成工藝,內部集成了高壓功率管和CS電阻,無需外部補償元件。這種高集成度設計不僅減少了外圍元件的數量,還降低了系統的成本和PCB尺寸,簡化了電路設計。
SM6035的待機功耗小于50mW(@220Vac),符合現代電子設備對節能的要求。這一特性使得電磁爐和電飯煲在待機模式下能夠顯著降低能耗,符合綠色節能標準。
SM6035采用33kHz的固定開關頻率,確保了電源轉換的穩定性和效率。這種固定頻率設計能夠有效減少電磁干擾(EMI),同時簡化了濾波器設計。
SM6035集成了多種保護功能,包括過溫保護、過壓保護和欠壓保護。這些保護功能能夠有效防止電源在異常情況下損壞,確保設備的安全運行。
SM6035采用SOP8封裝形式,具有體積小、散熱性能好等特點,非常適合緊湊型電源設計。
| 參數 | 符號 | 測試條件 | 最小值 | 典型值 | 最大值 | 單位 |
|---|---|---|---|---|---|---|
| 輸入電壓范圍 | VIN | — | 85 | — | 265 | Vac |
| 輸出電壓 | VOUT | — | 3.3/5.0 | — | — | V |
| 輸出電流 | IOUT | — | 300 | — | — | mA |
| 待機功耗 | Pstandby | @220Vac | — | — | <50 | mW |
| 開關頻率 | fSW | — | 33 | — | — | kHz |
| 功能 | 描述 |
|---|---|
| 過溫保護 | 當芯片溫度超過設定值時,自動關閉輸出,防止過熱損壞 |
| 過壓保護 | 當輸出電壓超過設定值時,自動關閉輸出,保護負載設備 |
| 欠壓保護 | 當輸入電壓低于設定值時,自動關閉輸出,防止因電壓不足而導致的損壞 |

電磁爐需要穩定的電源來驅動其加熱元件和控制電路。SM6035能夠為電磁爐提供3.3V或5V的穩定電源,支持300mA的輸出電流,完全滿足電磁爐控制電路的需求。其低待機功耗特性使得電磁爐在待機模式下能夠顯著降低能耗,符合綠色節能標準。
電飯煲的控制電路同樣需要穩定的電源支持。SM6035能夠為電飯煲提供3.3V或5V的穩定電源,支持300mA的輸出電流,確保電飯煲在烹飪過程中的穩定運行。其全面的保護功能能夠有效防止電源在異常情況下損壞,延長電飯煲的使用壽命。

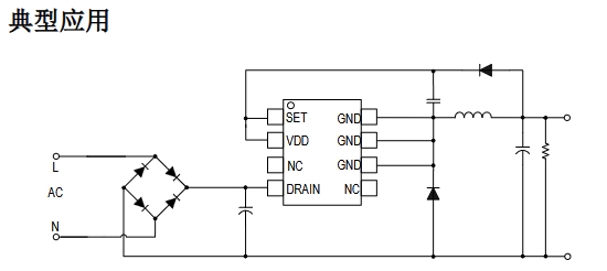
在該電路中,SM6035通過其內部的高壓功率管和控制邏輯,將輸入的交流電壓轉換為穩定的直流輸出電壓。其內置的保護功能能夠確保電源在各種異常情況下安全運行,同時其低待機功耗特性能夠顯著降低設備的能耗。